Full-range loudspeakers are enjoying another comeback and arousing increased interest, embodying, as they do, everything that a point soundsource should be. Large full-range loudspeakers like the B 200 – 6 Ohmhave the additional characteristic of transmitting the sound in a tightly bundled beam, which produces a very tangible, three-dimensional effect and allows individual instruments to be easily located. A drawback of the system, however, is that this beaming process and the sensitivity are reduced at lower frequencies. The PENTATON BB was developed specifically as a cabinet based on the legendary B 200 – 6 Ohm but designed to compensate for these two disadvantages.
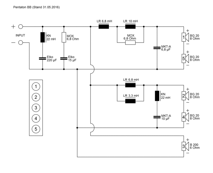
In a similar way to the QUADRO, additional full-range drivers are switched in to supplement the central driver, which is connected direct to the amplifier without an intervening filter, as the frequencies go down the scale. This allows the B 200 – 6 Ohm to develop its full potential with none of the impairments caused by frequency-dependent signal-carrying components, while the BG 20 – 8 Ohms, that are optimised for low-frequency response, maintain the extremely high sensitivity and beaming effect right down to the bass range. The additional full-range drivers are arranged symmetrically in two groups around the main speaker, which again creates an acoustic focus in the centre of the speaker cabinet. On top of this, the baffles in enclosures 2 and 4 and in enclosures 1 and 5 are angled inwards by 6° and 12° respectively. This feature guarantees that, assuming a typical listening distance of approx. 3 m, each of the drivers is exactly the same distance away from the ear and at the same angle. Given the size of these speaker cabinets, this is the only way to ensure that the phases of all the drivers are in sync across the entire frequency range.
The result of all these characteristics taken together is a sound image of the stage that could hardly be clearer or more precise. Even baritone male voices and large instruments such as the double bass or bassoon appear to be present full-size, in the right place on the virtual stage and in tangible 3D. Thanks to the enormous diaphragm area and the low moving mass, the PENTATON BB transforms dynamic jumps in the recording decisively and seamlessly into sound pressure and, with its superior handling, encourages the listener to increase the volume level until it is physically felt and yet it never becomes obtrusive or laboured.
And yet, this is definitely a speaker for connoisseurs of lower volumes. Even at low output levels, the overall sound quality is tangible and mature so that every tiny musical detail, however small, is projected audibly without the slightest distortion. The frequency response is remarkably linear for a loudspeaker of this kind, which is why the PENTATON BB is ideal for the authentic reproduction of every genre of music without restriction and will allow the listener to rediscover even old favourites thanks to its analytical and highly detailed approach.
Thanks to its high sensitivity and uniform impedance curve, the PENTATON BB is predestined for use in connection with high-grade tube amplifiers with relatively low output wattages.






Reviews
There are no reviews yet.